32,75 mm flat AV

Cuscinetti Reggispinta AP RACING

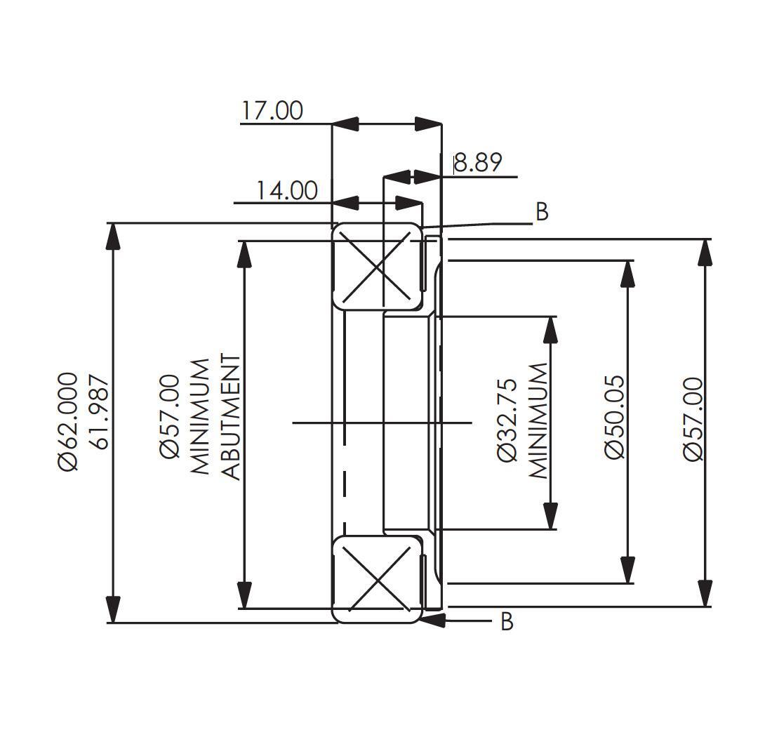
Cuscinetto reggispinta flat face alta velocità, diametro interno 32,75mm, pista rotante interna.
- CP3457-22: Indicato per frizioni a diaframma arrotondato con fulcro Ø da 50 a 56 mm.

Disegno tecnico

32,75 mm
Interna
50,0 -> 56,0 mm
AP RACING
Cuscinetto reggispinta 32,75 mm alta velocità flat face - Ø 32,75 mm
COD: CP3457-22

Metodi di pagamento

Payment Card Payment Card Visa Payment Card Mastercard Payment Card American Express Payment Google Pay Payment Apple Pay